H761-32 ボトルトラップ【SANEI株式会社】 [H761-32]
H761-32 ボトルトラップ【SANEI株式会社】
                                                [H761-32]
                                            
                                        販売価格: 24,660円(税込)
希望小売価格(税込): 41,800円
                                                在庫数(受注生産品以外は)通常2から3日営業日で出荷可能ですがメーカー欠品の場合もありますので*急ぎの場合はご連絡を!
                                            
                                        商品詳細
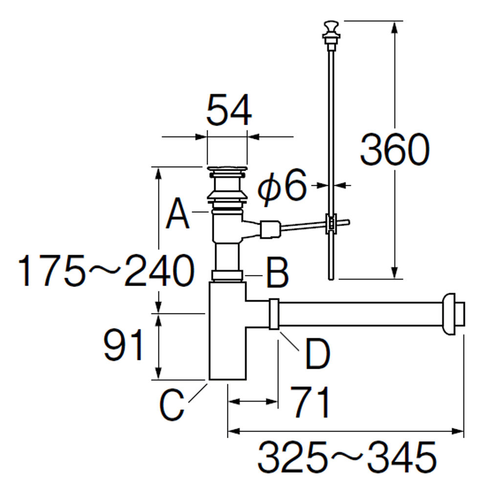
H761-32 ボトルトラップ 【SANEI株式会社】
●キックレバー長さ 175mm
●オーバーフロー用
●排水栓外径:54
●挟み込み範囲:28〜37
●アジャスト付
●トラップ内の掃除に便利な掃除口付
姿図
 
 
図面サイズ
| A | B | C | D | |
| 32 | W35山16 | W38山16 | W36山24 | W38山16 | 
ガイドの挟み込み範囲 〜18
取付穴径A φ11〜14
ネジの種類 M10X1
レビュー
0件のレビュー
                                                        






























 
                                                                     
                                                                     
                                                                 
                                                                
Facebookコメント